发布日期:2022-09-13 / 点击次数:1017
北京弱电工程中接线技巧经验汇总_凯源恒润北京监控安装工程公司
导线的连接情况有:
单股铜芯导线的直线连接、T字形连接;
双股线的对接;
多股铜芯导线的直线连接、T字形连接;
不等径铜导线的对接;
单股线与多股线的T字分支连接;
软线与单股硬导线的连接;
铝芯导线用压接管压接;
铝芯导线用压接管压接。
单股铜芯导线的直线连接
先将两导线芯线线头成X形相交。
互相绞合2~3圈后扳直两线头。
将每个线头在另一芯线上紧贴并绕6圈,用钢丝钳切去余下的芯线,并钳平芯线末端。
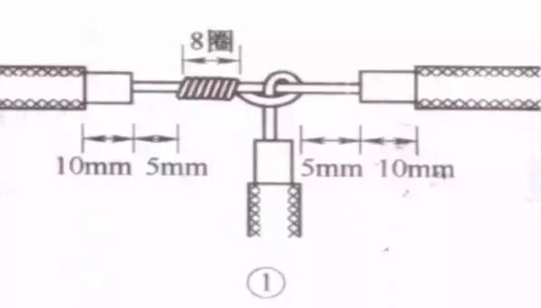
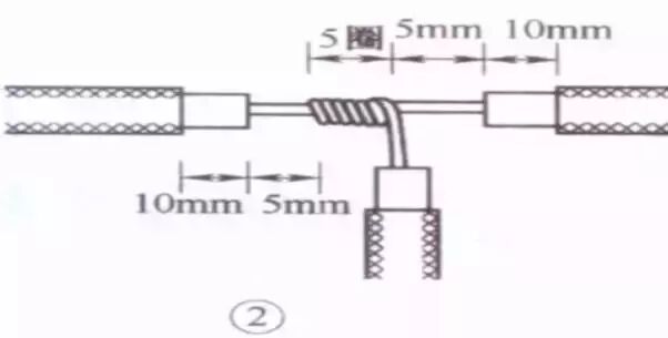
单股铜芯导线的T字形连接
将支路芯线的线头与干线芯线十字相交,在支路芯线根部留出5mm,然后顺时针方向缠绕6~8圈后,用钢丝钳切去余下的芯线,并钳平芯线末端。
小截面的芯线可以不打结。
3
双股线的对接
将两根双芯线线头剖削成图示中的形式。连接时,将两根待连接的线头中颜色一致的芯线按小截面直线连接方式连接。用相同的方法将另一颜色的芯线连接在一起。
4
多股铜芯导线的直线连接
以7股铜芯线为例说明多股铜芯导线的直线连接方法
先将剥去绝缘层的芯线头散开并拉直,再把靠近绝缘层1/3线段的芯线绞紧,然后把余下的2/3芯线头按图示分散成伞状,并将每根芯线拉直。
把两伞骨状线端隔根对叉,必须相对插到底。
捏平叉入后的两侧所有芯线,并应理直每股芯线和使每股芯线的间隔均匀;同时用钢丝钳钳紧叉口处消除空隙。
先在一端把邻近两股芯线在距叉口中线约3根单股芯线直径宽度处折起,并形成90°。
接着把这两股芯线按顺时针方向紧缠2圈后,再折回90° 并平卧在折起前的轴线位置上。
接着把处于紧挨平卧前邻近的2根芯线折成90° ,并按步骤⑤ 方法加工。
把余下的3根芯线按步骤⑤ 方法缠绕至第2圈时,把前4根芯线在根部分别切断,并钳平;接着把3根芯线缠足3圈,然后剪去余端,钳平切口不留毛刺
另一侧按步骤④~⑦方法进行加工。
5
多股铜芯导线的T字形连接
以7股铜芯线为例说明多股铜芯导线的T字形连接方法
将分支芯线散开并拉直,再把紧靠绝缘层1/8线段的芯线绞紧,把剩余7/8的芯线分成两组,一组4根,另一组3根,排齐。用旋凿把干线的芯线撬开分为两组,再把支线中4根芯线的一组插入干线芯线中间,而把3根芯线的一组放在干线芯线的前面。
把3根线芯的一组在干线右边按顺时针方向紧紧缠绕3~4圈,并钳平线端;把4根芯线的一组在干线的左边按逆时针方向缠绕4~5圈。
钳平线端。
6
不等径铜导线的对接
把细导线线头在粗导线线头上紧密缠绕5~6圈,弯折粗线头端部,使它压在缠绕层上,再把细线头缠绕3~4圈,剪去余端,钳平切口。
<p style="margin-top: 16px; margin-bottom: 16px; padding: 0px; outline: 0px; max-width: 100%; box-sizing: border-box; clear: both; min-height: 1em; color: rgb(34, 34, 34); lett

北京医院视频监控系统图像卡顿怎么办?凯源恒润北京监控安装工程公司教你正确的思路分析!
北京医院视频监控系统图像卡顿怎么办?凯源恒润北京监控安装工程公司教你正确的思路分析! ...
2025-11-0593

北京门禁系统联动自动感应门和自动卷帘门怎么选择专业公司?凯源恒润北京监控安装工程公司分享门禁系统如何控制电动门的运行!
北京门禁系统联动自动感应门和自动卷帘门怎么选择专业公司?凯源恒润北京监控安装工程公司分享门...
2025-11-01136

北京医院停车场系统工程安装怎么选择专业公司?凯源恒润北京监控安装工程公司告诉你停车场系统安装前需要准备好哪些文件!
北京医院停车场系统工程安装怎么选择专业公司?凯源恒润北京监控安装工程公司告诉你停车场系统安...
2025-10-31117

北京小区报警系统中常用的电子围栏误报率高不高?凯源恒润北京监控安装工程公司带你了解!
北京小区报警系统中常用的电子围栏误报率高不高?凯源恒润北京监控安装工程公司带你了解! 凯...
2025-10-26144